Skip to main content

Prosta Specyfikacja Clamp icon Łatwe zamawianie Clamp icon Szybki montaż

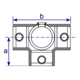
176 - Side Outlet Tee

Often used in large tubular structures with the upright passing through the fitting. The through tube (vertical in photo) cannot be joined within the fitting.

Dane i wymiary produktu

Rozmiar a (mm) b (mm) Waga (kg) Box Qty* Part No
  AA21       0.3   0   176-AA21
  A27   41   82   0.36   75   176-A27
  B34   46   92   0.50   50   176-B34
  C42   60   120   0.79   25   176-C42
  D48   68   136   0.94   21   176-D48
  E60   84.5   169   1.53   10   176-E60

* Fittings are sold individually and do not need to be bought in box quantities. Box quantities may be subject to change without prior notice.

Figures given as guidance only, dimensions and weights are subject to manfacturing tolerances and may be altered without prior notice.

Do not perform any pre-drilling, tube cutting, casting uprights or any other dimensionally critical processes prior to receiving fittings.

Dowiedz się więcej o tym, w jaki sposób ta witryna wykorzystuje pliki cookie, aby poprawić komfort przeglądania stron. Dowiedz się więcej