Skip to main content

Prosta Specyfikacja Clamp icon Łatwe zamawianie Clamp icon Szybki montaż

172M - Offset Single Swivel Male

Warning: To provide sufficient stability, whole structures must not be made from swivel fittings alone.

Image shows 2 fittings

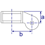
Dane i wymiary produktu

Rozmiar a (mm) b (mm) Waga (kg) Box Qty* Part No
  C42   30   51   0.30   140   172M-C42
  D48   32   56   0.31   80   172M-D48

* Fittings are sold individually and do not need to be bought in box quantities. Box quantities may be subject to change without prior notice.

Figures given as guidance only, dimensions and weights are subject to manfacturing tolerances and may be altered without prior notice.

Do not perform any pre-drilling, tube cutting, casting uprights or any other dimensionally critical processes prior to receiving fittings.

Dowiedz się więcej o tym, w jaki sposób ta witryna wykorzystuje pliki cookie, aby poprawić komfort przeglądania stron. Dowiedz się więcej