Skip to main content

Prosta Specyfikacja Clamp icon Łatwe zamawianie Clamp icon Szybki montaż

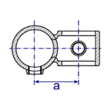
161R - Reducing Offset Crossover

Designed to form a 90° crossover joint between two tubes of different sizes.

Dane i wymiary produktu

Rozmiar a (mm) Waga (kg) Box Qty* Part No
  B34/A27   36   0.28   105   161R-B34A27
  C42/B34   45   0.40   81   161R-C42B34
  D48/B34   48   0.44   54   161R-D48B34
  D48/C42   51   0.54   40   161R-D48C42
  E60/D48   60   0.74   28   161R-E60D48

* Fittings are sold individually and do not need to be bought in box quantities. Box quantities may be subject to change without prior notice.

Figures given as guidance only, dimensions and weights are subject to manfacturing tolerances and may be altered without prior notice.

Do not perform any pre-drilling, tube cutting, casting uprights or any other dimensionally critical processes prior to receiving fittings.

Related Products

Dowiedz się więcej o tym, w jaki sposób ta witryna wykorzystuje pliki cookie, aby poprawić komfort przeglądania stron. Dowiedz się więcej