Skip to main content

Prosta Specyfikacja Clamp icon Łatwe zamawianie Clamp icon Szybki montaż

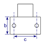
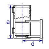
145 - Side Support (Horizontal Base)

A palm-type fitting, often used to attach guardrail uprights to walls, staircases and ramps. In standard form, the tube cannot pass through the bottom of the fitting, although the fitting may be modified to accommodate this at extra cost. Dependent on load requirements, type 144 may sometimes be used as an alternative.

Dane i wymiary produktu

Rozmiar a (mm) b (mm) c (mm) d (mm) Hole Dia (mm) Waga (kg) Box Qty* Part No
  B34   102   45   67   57   15   0.86   37   145-B34
  C42   112   53   73   64   15   1.21   25   145-C42
  D48   119   68   89   73   15   1.55   16   145-D48

* Fittings are sold individually and do not need to be bought in box quantities. Box quantities may be subject to change without prior notice.

Figures given as guidance only, dimensions and weights are subject to manfacturing tolerances and may be altered without prior notice.

Do not perform any pre-drilling, tube cutting, casting uprights or any other dimensionally critical processes prior to receiving fittings.

Dowiedz się więcej o tym, w jaki sposób ta witryna wykorzystuje pliki cookie, aby poprawić komfort przeglądania stron. Dowiedz się więcej