Skip to main content

Prosta Specyfikacja Clamp icon Łatwe zamawianie Clamp icon Szybki montaż

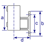
144 - Side Support (Vertical Base)

A palm-type fitting, often used to attach guardrail uprights to walls, staircases and ramps. In standard form, the tube cannot pass through the bottom of the fitting, although the fitting may be modified to accommodate this at extra cost.

N.B. Access to one of the fixing holes is limited and may restrict the length and type of fixing that may be used. Dependent on load requirements, type 145 may sometimes be used as an alternative.

Dane i wymiary produktu

Rozmiar a (mm) b (mm) c (mm) d (mm) e (mm) Hole Dia (mm) Waga (kg Box Qty* Part No
  B34   109   95   67   57   45   15   0.92   41   144-B34
  C42   112   110   72   63.5   54   14   1.20   24   144-C42
  D48   120   120   89   73   63   14   1.37   20   144-D48

* Fittings are sold individually and do not need to be bought in box quantities. Box quantities may be subject to change without prior notice.

Figures given as guidance only, dimensions and weights are subject to manfacturing tolerances and may be altered without prior notice.

Do not perform any pre-drilling, tube cutting, casting uprights or any other dimensionally critical processes prior to receiving fittings.

Dowiedz się więcej o tym, w jaki sposób ta witryna wykorzystuje pliki cookie, aby poprawić komfort przeglądania stron. Dowiedz się więcej