Skip to main content

Prosta Specyfikacja Clamp icon Łatwe zamawianie Clamp icon Szybki montaż

137 - Clamp-on Crossover 90°

90° bolt-on joint, often used to make additions or alterations to existing structures where a type 161 cannot be fitted. The tubes cannot be joined within the fitting.

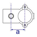
Dane i wymiary produktu

Rozmiar a (mm) Waga (kg) Box Qty* Part No
  D48   55   0.82   30   137-D48

* Fittings are sold individually and do not need to be bought in box quantities. Box quantities may be subject to change without prior notice.

Figures given as guidance only, dimensions and weights are subject to manfacturing tolerances and may be altered without prior notice.

Do not perform any pre-drilling, tube cutting, casting uprights or any other dimensionally critical processes prior to receiving fittings.

Dowiedz się więcej o tym, w jaki sposób ta witryna wykorzystuje pliki cookie, aby poprawić komfort przeglądania stron. Dowiedz się więcej